室外型采暖爐防凍性能試驗分為有風狀態試驗和無風狀態試驗,那么,這些試驗應該怎么做呢?下面我們來看看室外箱采暖爐防凍性能試驗的詳細步驟。
試驗產品:室外型采暖爐
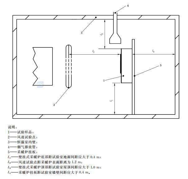
試驗設備:燃氣采暖爐防凍性能試驗室
設備型號:環儀儀器HYCN-10
參考標準:GB 25034-2020《燃氣采暖熱水爐》

一、無風狀態試驗:
將恒溫室內的溫度調至-20℃±2℃,按下列步驟試驗:
1.待機狀態下放置4h,試驗期間恒溫室外的溫度應確保室內溫控器不會啟動采暖爐,然后試驗采暖水、生活熱水和冷凝水水溫;
2.采暖狀態最小熱負荷下運行0.5h,試驗采暖水、生活熱水和冷凝水水溫;
3.生活熱水狀態最小熱負荷下運行0.5h,試驗采暖水、生活熱水和冷凝水水溫。
二、有風狀態試驗:
將恒溫室內的溫度調至-10℃±2℃,風筒的前端為長1.5m、直徑1.2m的圓柱形;以3m/s的風速吹向采暖爐,按下列步驟試驗:
1.待機狀態下吹風4h,試驗期間恒溫室外的溫度應確保室內溫控器不會啟動采暖爐,然后試驗采暖水、生活熱水和冷凝水水溫;
2.采暖狀態最小熱負荷下運行0.5h,試驗采暖水、生活熱水和冷凝水水溫;
3.生活熱水狀態最小熱負荷下運行0.5h,試驗采暖水、生活熱水和冷凝水水溫。
相關技術參數:
內部尺寸:1800*2200*1900(寬*高*深)
溫度范圍:-15~30℃
濕度范圍:20~98%RH
升降溫速率:0℃→+35℃ ≤15min;+25℃→-15℃ ≤40min
內部材質:SUS304不銹鋼
外部材質:彩鋼板
保溫材質:100mm聚氨脂保溫層
大門:1900H/1200W,雙層密封保證氣體不泄露
窗戶:500/500mm,雙層鋼化玻璃帶除霜除霧功能
風道:內置不銹鋼風道頂部出風底部回風
排氣:頂部安裝煙氣排放管一套
照明:日光燈4盞
氧氣裝置:(選配) 配備恒定氧氣裝置








